Zemská klíma sa citeľne mení, čo sa prejavuje v posledných rokoch značným nárastom teplôt. Tento trend naznačuje, že klimatické zmeny budú mať výrazný vplyv aj na techniku budov, ktorej cieľom bude zabezpečiť optimálnu tepelnú pohodu nielen počas vykurovacej sezóny, ale aj počas horúceho leta. Riešením, ktoré spĺňa tieto požiadavky, sú systémy plošného vykurovania a chladenia.
Princíp plošného vykurovania a chladenia
Pri plošnom vykurovaní sa využíva sálavý tepelný tok z ohrievanej plochy, ktorou môže byť podlaha, stena alebo strop. Tieto plochy dosahujú mierne vyššiu povrchovú teplotu a priamo vyžarujú teplo do okolitej miestnosti, na vnútorné zariadenie aj na ľudí. Toto teplo je veľmi komfortné a dá sa prirovnať k teplu slnečných lúčov. V porovnaní s klasickým radiátorovým vykurovaním, ktoré primárne využíva konvekciu (ohriaty vzduch), tvorí sálavé teplo podstatne väčší podiel.
Plošné chladenie funguje na podobnom princípe, avšak s využitím chladiacej kvapaliny cirkulujúcej v rozvodných rúrkach v stenách alebo stropoch. Odovzdávanie tepla prebieha na rozdiel od klasickej klimatizácie prostredníctvom sálania na chladiacu plochu. Toto jemné, veľkoplošné chladenie spĺňa najvyššie požiadavky na ideálny tepelný komfort, pričom nenarušuje prirodzenú klímu miestnosti a nevytvára nepríjemný prievan. REHAU vyvinulo odladené systémy chladenia pre stropy, steny aj podlahy.

Výhody plošného chladenia
Chladenie budovy býva často nákladné, najmä z dôvodu vysokých prevádzkových nákladov klasických klimatizačných systémov. Plošné chladenie však predstavuje hospodárnu a ekologickú alternatívu. Vďaka relatívne vysokým teplotám chladiacej vody (okolo 16-18°C) sa výborne kombinuje s obnoviteľnými zdrojmi energie, ako je napríklad spodná voda alebo zem v prípade hĺbkových sond. Klasická klimatizácia pritom pracuje s teplotami 6-12°C.
Ideálnu a ekonomickú možnosť predstavuje využitie tepelného čerpadla pre vykurovanie a primárneho okruhu (napr. hĺbkového vrtu alebo studne) na tzv. „pasívne chladenie“. Toto pasívne chladenie funguje len so zanedbateľnými prevádzkovými nákladmi, využívajúc chlad priamo zo zeme.
Možnosti inštalácie plošného vykurovania a chladenia
Podlahové vykurovanie ponúka vynikajúci efekt pri vykurovaní a jeho rozšírenie na podlahové chladenie pomocou toho istého teplovodného systému dokáže znížiť teplotu interiéru o približne 3°C oproti exteriéru. Komfortnejším riešením pre chladenie je však inštalácia stropného alebo stenového systému, prípadne ich kombinácia. Tieto systémy predstavujú pre rozumne navrhnuté stavby plnohodnotný chladiaci systém.
Ak zamýšľate vykurovať i chladiť tou istou plochou, využitie steny je veľmi efektívne a prinesie investičnú úsporu, keďže nie je potrebné budovať osobitné systémy. Aktívne steny však musia byť voľné bez nábytku, obrazov či kobercov, preto je potrebné včas naplánovať usporiadanie interiéru.
Chladenie stropom predstavuje najkomfortnejšiu alternatívu plošného chladenia. Poskytuje pocit jemného chladu bez prievanu, pričom strop zvyčajne ponúka dostatočnú chladiacu plochu a najvyšší výkon spomedzi plošných chladení.

Kľúčové faktory pre efektívnosť
Pri plošnom chladení je dôležité myslieť na to, že výkon systému je limitovaný dostupnou plochou. Preto sa odporúča doplniť riešenie o vonkajšie tienenie presklených častí budovy, keďže solárne zisky môžu tvoriť až 50 % celkovej tepelnej záťaže. Vďaka tieneniu výrazne znížite potrebu energie na chladenie a naplno využijete výhody plošného systému.
Kľúčom k efektívnemu fungovaniu je správny návrh a profesionálna realizácia. Spoločnosť REHAU poskytuje detailné technické podklady pre projektantov a školí realizačné firmy, čím zabezpečuje kvalitné a spoľahlivé riešenia.
Tepelné čerpadlá ako moderné riešenie
Tepelné čerpadlá sú úspornejšie ako tradičné systémy a predstavujú nízkouhlíkovú alternatívu pre vykurovanie. V Európe sa od nich očakáva, že nahradia fosílne palivá a pomôžu plniť klimatické ciele, keďže počas používania produkujú menej uhlíka ako plynové kotly. Tepelné čerpadlá skvele fungujú so solárnymi panelmi, čím umožňujú domácnostiam využívať vlastnú čistejšiu energiu.
Tepelné čerpadlá premieňajú energiu z vonkajšieho prostredia (vzduch, voda, zem) na preferovanú teplotu v domácnosti. Proces zahŕňa absorpciu tepla vonkajšou jednotkou, jeho stlačenie v kompresore, čo vedie k ohrevu chladiva a následne vody. Táto teplá voda môže byť uskladnená alebo cirkulovať vykurovacími telesami. V kombinácii s konvektormi alebo podlahovým kúrením môžu tepelné čerpadlá slúžiť aj na chladenie.
Životnosť tepelného čerpadla sa zvyčajne pohybuje od 15 do 20 rokov, pričom závisí od faktorov ako údržba. Sú vhodné pre domácnosti všetkých veľkostí a tvarov, či už ide o novostavbu alebo renovovanú nehnuteľnosť.
Ako funguje tepelné čerpadlo?
Stropné vykurovanie a chladenie
Stropné vykurovanie je jedno z energeticky najefektívnejších moderných riešení. Vo vykúrenej miestnosti je teplota stropu v priemere len o jeden stupeň vyššia, než teplota vzduchu. Systém funguje prostredníctvom inštalácie tepelných alebo chladivých trubiek v stropnej konštrukcii, ktoré sú napojené na kotol alebo chladiacu jednotku.
Výhodou tohto systému je rovnomernejšia distribúcia tepla či chladu do každej miestnosti. V porovnaní s radiátormi či klimatizáciou ohrievajú a ochladzujú miestnosť lokálne, čo spôsobuje výrazné rozdiely teplôt. Stropné systémy sú tiché, bez prievanu a bez vírenia prachu, čím zabezpečujú maximálny komfort a zdraviu prospešné prostredie.
Cena chladiaceho stropu sa pohybuje od 30 do 180 € za meter štvorcový plochy stropu, ku ktorej treba pripočítať cenu za zdroj chladu (napríklad tepelné čerpadlo). Aj keď počiatočná cena klimatizácie môže byť nižšia, plošné systémy sú efektívnejšie a zdraviu prospešnejšie. Systémy stropného vykurovania a chladenia sa často využívajú v kanceláriách, predajných priestoroch, priemyselných budovách a športových halách, ale aj ako doplnkové systémy iných riešení.
Prípadová štúdia: Obytný súbor Les Halles 2.0 v Düsseldorfe
V Düsseldorfe vznikla nová mestská štvrť s inovatívnym prístupom k vykurovaniu a chladeniu. V projekte Les Halles 2.0, dostavanom v roku 2009, bolo pre zabezpečenie perspektívnej koncepcie vykurovania a chladenia ideálne využité podzemné teplo.
Na základe posudkov geológov boli vyvŕtané dve studne s hĺbkou 20 metrov, kde sa celoročne udržiavala stála teplota vody v rozpätí +8 až +12 °C. Energiu z tejto podzemnej vody využívajú štyri tepelné čerpadlá voda|voda Stiebel Eltron typu WPF 66, ktoré sú umiestnené v suteréne. Systém je doplnený plynovým kotlom ako záložným zdrojom na bivalentnú prevádzku, najmä pre prípravu teplej úžitkovej vody, ktorá vyžaduje vyššiu teplotu pre hygienu.
Rozvody podlahového vykurovania sú umiestnené pod parketami alebo dlažbou a vystačia s teplotou vody +43 °C. V lete sa vďaka podlahovému chladeniu teplota vo všetkých miestnostiach a vnútorných priestoroch budov udržiavala na príjemných hodnotách. Systém je riadený tak, aby sa zabezpečila dlhodobá funkčnosť všetkých čerpadiel.
Celková plocha obytného súboru predstavuje asi 12 000 m2, s 129 bytovými jednotkami s plochou od 40 do 139 m2. Tento projekt ukazuje, ako je možné efektívne a ekologicky zabezpečiť tepelnú pohodu v moderných mestských štvrtiach.
Elektrické podlahové vykurovanie
Elektrické podlahové vykurovanie má jednoduchú konštrukciu a nevyžaduje kotol, čo z neho robí výhodnú voľbu z technického aj investičného hľadiska. Jeho prevádzkové náklady sú však najvyššie, čo často vedie k neskoršej výmene za systém s nižšími prevádzkovými nákladmi, napríklad teplovodné vykurovanie v kombinácii s tepelným čerpadlom.
Elektrické podlahové kúrenie je vhodné ako doplnkové vykurovanie pri rekonštrukciách, kde môže byť jeho malá stavebná výška veľkou výhodou. REHAU ponúka kvalitné systémy vykurovania a chladenia pre stropy, steny aj podlahy.
Výber podlahovej krytiny pre podlahové vykurovanie
Pri tepelno-technickom výpočte podlahového vykurovania je nutné zohľadniť tepelný odpor podlahovej krytiny, ktorý by nemal prekročiť R=0,15m2K/W. Minerálne podlahové krytiny ako kameň alebo keramika sú najvhodnejšie vďaka vynikajúcej tepelnej vodivosti. Ich nevýhodou je nízka pocitová teplota mimo sezóny.
Široko využívaným variantom sú plávajúce laminátové a drevené podlahové krytiny s hrúbkou do 10-15 mm, pričom je potrebné overiť ich vhodnosť pre podlahové vykurovanie. Podlahy z PVC sú tiež vhodné, odporúča sa ich lepenie. Textilné podlahové krytiny by mali byť pre lepší prestup tepla lepené a ich hrúbka by nemala presiahnuť 10 mm.
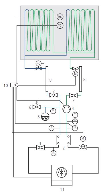
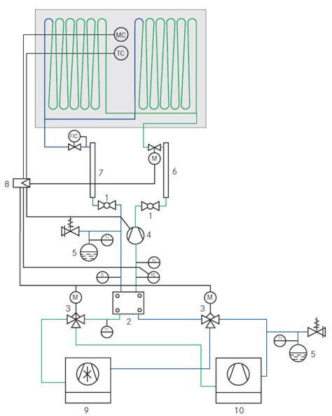
Pasívne a aktívne chladenie pomocou tepelných čerpadiel
Jednou z výhod tepelných čerpadiel je možnosť aktívneho alebo pasívneho chladenia v letných mesiacoch. Pasívne chladenie je možné len pri tepelných čerpadlách typu zem - voda alebo voda - voda s prídavným modulom. Aktívne chladenie, ktoré je účinnejšie, ale menej efektívne, majú všetky typy tepelných čerpadiel, ktoré sa uvedú do reverznej prevádzky.
Centrálna vetracia jednotka s rekuperáciou tepla môže byť v lete využitá na pasívne chladenie aktiváciou prepínateľného bajpasu, ktorý obchádza rekuperáciu tepla a umožňuje čiastočné ochladenie miestnosti počas nocí s nižšou vonkajšou teplotou. Oveľa účinnejšie je však stropné alebo stenové chladenie, ktoré zabezpečuje rovnomernejšie ochladzovanie bez nepríjemného prievanu.
Systémy Gabotherm®
Spoločnosť Gabotherm® ponúka systémy stenového vykurovania a chladenia s polybuténovými rúrkami rôznych priemerov (8 mm, 10 mm, 12 mm), ktoré umožňujú rýchlu regulačnú odozvu a presné nastavenie požadovanej teploty interiéru. Tieto systémy poskytujú studené sálanie chladených plôch bez prievanu a sú vhodné pre rýchle zmeny teplôt.

tags: #vykurovanie #a #chladenie #domu