Terasy sa stali neodmysliteľnou súčasťou moderných domov a záhrad, poskytujúc príjemné miesto na oddych, stretávanie sa s rodinou a priateľmi, či vychutnávanie si teplých lúčov slnka. V horúcich letných dňoch sa však terasa môže premeniť na nepríjemne horúce miesto, ktoré znemožňuje plnohodnotné využívanie. Tento článok ponúka komplexný prehľad rôznych spôsobov, ako efektívne schladiť letnú terasu a zabezpečiť tak príjemné prostredie počas celej sezóny.

Základné princípy chladenia terasy
Príjemné prostredie na terase v lete závisí od viacerých faktorov, vrátane orientácie terasy, použitých materiálov, tienenia a cirkulácie vzduchu. Dôležité je tiež správne riešenie podlahy a jej ukotvenia, ktoré ovplyvňuje celková konštrukcia a odolnosť voči poveternostným vplyvom.
Orientácia a veterné podmienky
Ideálna orientácia terasy je na juh alebo západ, avšak v mnohých oblastiach Slovenska práve západný smer prináša najčastejšie vietor. Pred výstavbou terasy je preto dôležité preskúmať prevládajúce veterné prúdy a zvoliť vhodné spôsoby tienenia, ktoré "nenásilne" ochránia sedenie pred priamym slnkom a vetrom.
Výber materiálov
Moderné terasy sú vystavené značnej záťaži, vrátane hmotnosti prvkov ako je vonkajší krb, ako aj poveternostným vplyvom. Materiály musia odolať letným teplotám až do 40 °C a zimným mrazom do -30 °C. Na trhu je široká škála materiálov ako kameň, drevo, plast, kompozit, keramika, kov či prefabrikáty, ktoré je možné aj kombinovať.
Technologické detaily a hydroizolácia
Kvalitný materiál nestačí, dôležité sú aj technologické detaily stavby. Najčastejšou chybou je nedodržanie správneho spádu, ktorý zabezpečuje odtok vody. Terasa je v podstate pochôdzna plochá strecha, preto vyžaduje konštrukciu s vysokými nárokmi na záťaž a kvalitnú hydroizoláciu. Problémy s odvodnením a netesnosťami sú časté, preto je potrebné venovať im osobitnú pozornosť.
Metódy tienenia a ochladzovania
Existuje množstvo spôsobov, ako zabezpečiť príjemný chládok na terase, od jednoduchých a cenovo dostupných riešení až po komplexné technické systémy.
1. Výsuvné obrazovky a markízy
Pre rýchle a cenovo dostupné riešenie sú ideálne výsuvné obrazovky alebo markízy. Dokážu zablokovať až 80 % slnečnej energie a zároveň filtrujú UV žiarenie. Na trhu sú dostupné prenosné aj výsuvné varianty, ktoré pridávajú terase estetickú hodnotu.

2. Pergoly a altánky
Pergoly a altánky predstavujú elegantnejší spôsob chladenia terasy. Okrem poskytnutia tieňa zvyšujú aj hodnotu nehnuteľnosti. Hlavný rozdiel spočíva v type strešného prekrytia.
3. Využitie vody
Voda je jedným z najefektívnejších prostriedkov na ochladzovanie terasy.
- Vodné fontány: Okrem estetického prínosu môžu fontány prispievať k príjemnejšej atmosfére a zvuku tečúcej vody.
- Misters a postrekovače: Jemné postreky vody vytvárajú na pokožke osviežujúci chladivý efekt.
4. Ďalšie tienidlá
- Dáždniky: Štýlové a praktické riešenie, dostupné v rôznych veľkostiach, vrátane variantov s funkciou zahmlievania.
- Presahy: Elegantný spôsob, ako pridať terase tieň.
- Vonkajšie denné postele s baldachýnom: Luxusný spôsob, ako si vychutnať leto s partnerom v príjemnom chládku.

5. Odparovacie chladiče
Odparovacie chladiče fungujú na princípe nasávania teplého vzduchu, jeho ochladzovania a následného rozptýlenia. Dokážu znížiť teplotu o niekoľko stupňov a zabezpečiť príjemný prúd čerstvého vzduchu.
6. Rastliny a zeleň
Rastliny a zeleň prirodzene ochladzujú priestor a bránia priamemu dopadu slnečných lúčov. Pergoly a altánky obrastené popínavými rastlinami vytvárajú príjemný chladivý efekt.
7. Dekorácie a farby
Tmavé odtiene pohlcujú teplo, preto je pri výbere farieb na terasu a jej vybavenie vhodné zvoliť svetlé farby, ktoré slnečnú energiu odrážajú. Farby ako svetlozelená či prášková modrá vytvárajú chladivý efekt.
8. Vonkajšie koberce
Položenie celoročného koberca na terasu môže pomôcť udržať podlahu chladnejšiu a zároveň osviežiť vzhľad exteriéru.
9. Stropné ventilátory
Vonkajšie stropné ventilátory síce neznižujú teplotu, ale zabezpečujú cirkuláciu vzduchu, čím prispievajú k pocitu sviežosti. Možné je využiť aj DIY riešenia s ventilátorom.
10. Jazierka a vírivky
Malé jazierko alebo vírivka predstavujú spoľahlivé riešenie na ochladenie, aj keď ich inštalácia môže byť nákladnejšia. Nad nimi je možné vytvoriť tienisté miesta pomocou pergoly a popínavých rastlín.
11. Výber nábytku
Materiál a farba terasového nábytku ovplyvňujú jeho teplotu. Pre horúce počasie je vhodný nábytok z teakového dreva alebo z liateho hliníka, ktorý je vysoko odolný voči teplu.
12. Obmedzenie zdrojov tepla
Rozsiahle varenie a vypúšťanie dymu zvyšujú okolitú teplotu. Zvážte alternatívne spôsoby prípravy jedla alebo ich realizáciu mimo hornej časti dňa.
Video návod zapojenia potrubných ventilátorov Dalap AP-Z s časovým dobehom na MIN výkon
Moderné systémy chladenia interiéru s dôrazom na terasu
Nepríjemne vysoké teploty sa stávajú bežnou realitou aj v interiéroch, preto mnohí hľadajú technické riešenia na udržanie znesiteľnej teploty. Klimatizačné jednotky sú rozšírené, avšak ich prevádzka môže spôsobovať zdravotné problémy a je energeticky náročná.
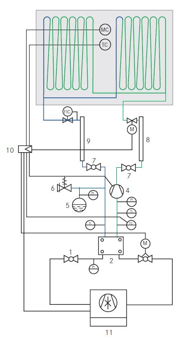
Stropné chladenie
Stropné chladenie predstavuje efektívnejšie a komfortnejšie riešenie. Systém funguje na princípe prúdenia chladiacej vody v potrubiach zabudovaných v sadrokartónových paneloch alebo podomietkových registroch. Týmto spôsobom sa ochladzuje celá plocha stropu, čo zabezpečuje príjemnú teplotu vzduchu (24-26 °C) pri teplote chladiacej vody okolo 16 °C.
Výhody stropného chladenia:
- Energetická efektívnosť: Nepotrebuje nízku teplotu výmenníka ako klasická klimatizácia, čím sa eliminuje tvorba kondenzátu a znižuje spotreba energie.
- Komfort: Rovnomerné chladenie celej plochy stropu zabezpečuje vyšší komfort.
- Zdravotná nezávadnosť: Nedochádza k vysúšaniu vzduchu.
- Prevencia kondenzácie: Snímače rosného bodu zabraňujú roseniu stropov pri náhlych zmenách vlhkosti.

Zdroj chladu pre stropné chladenie
Ako zdroj chladu je možné využiť vodu zo studne, ktorá má často dostatočnú teplotu. V prípade jej absencie je vhodné použiť tepelné čerpadlo, ktoré môže využívať vodu zo studne alebo okolitý vzduch. Kombinácia tepelného čerpadla s podlahovým vykurovaním a stropným chladením predstavuje najefektívnejšie riešenie pre celoročný komfort.
Náklady a porovnanie s klimatizáciou
Hoci počiatočná investícia do stropného chladenia môže byť vyššia, nižšie prevádzkové náklady (pri použití tepelného čerpadla dosahujú 30-40 % nákladov na prevádzku klasickej klimatizácie) ich robia porovnateľnými. Dôležitým benefitom je celoročné využitie tepelného čerpadla na chladenie aj vykurovanie.