Termostat je kľúčovou súčasťou chladiaceho systému vozidla. Jeho hlavnou úlohou je regulovať prietok chladiacej kvapaliny v motore, čím sa zabezpečuje optimálna prevádzková teplota. Chladiaci systém má dva okruhy: malý a veľký.
Funkcia termostatu v chladiacom systéme
Po naštartovaní studeného motora je termostat uzavretý. Týmto spôsobom chladiaca kvapalina cirkuluje iba v malom okruhu, ktorý obchádza hlavný chladič. Tento proces umožňuje motoru rýchlejšie dosiahnuť prevádzkovú teplotu.
Keď teplota chladiacej kvapaliny dosiahne približne 90 °C, termostat sa otvorí. Tým sa aktivuje veľký okruh chladiaceho systému, ktorý zahŕňa chladič. Horúca chladiaca kvapalina prechádza cez chladič, kde sa ochladzuje, a následne sa vracia do motora, čím znižuje jeho teplotu.

Možné poruchy termostatu
Najčastejšími poruchami termostatu sú jeho zablokovanie v zatvorenej alebo otvorenej polohe.
- Zablokovanie v zatvorenej polohe: V tomto prípade chladiaca kvapalina cirkuluje výlučne v malom okruhu. Teplota motora neustále stúpa, čo môže viesť k jeho prehriatiu. Prehriatie je pre motor veľmi nebezpečné a môže spôsobiť vážne a nákladné poškodenia. Príznakmi môžu byť posunutie ukazovateľa teploty do červenej zóny, dymenie spod kapoty a v krajnom prípade zadretie motora.
- Zablokovanie v otvorenej polohe: Táto situácia je menej deštruktívna, ale stále spôsobuje problémy s prehrievaním motora.
Je dôležité si uvedomiť, že na správnu funkciu chladiaceho systému vplývajú aj iné komponenty, ako napríklad vodné čerpadlo, klinový remeň, chladič alebo dostatočné množstvo chladiacej kvapaliny.
Ako skontrolovať termostat
Kontrola termostatu je pomerne jednoduchá a zvládnete ju aj sami. Postup je nasledovný:
- Demontáž: Pred akoukoľvek manipuláciou sa uistite, že motor je studený, aby ste predišli popáleniu horúcou kvapalinou a parou. Odskrutkujte kryt a vypustite chladiacu kvapalinu. Následne odpojte termostat.
- Testovanie:
- Vezmite termostat a ponorte ho do nádoby so studenou vodou. Mal by zostať uzavretý.
- Postupne ohrievajte vodu v nádobe. Pri dosiahnutí teploty približne 79 - 82 °C by sa mal termostat začať otvárať. Kolík termostatu by mal pri plnom otvorení vyčnievať minimálne 7,5 mm.

Výmena termostatu
Ak sa počas testu ukáže, že termostat nepracuje správne, je potrebné ho vymeniť. Termostat sa nedá opraviť a pri akomkoľvek poškodení je nutná jeho výmena.
Postup výmeny
- Príprava: Uistite sa, že motor je studený a vypustite chladiacu kvapalinu.
- Demontáž starého termostatu: Vypustite chladiacu kvapalinu (pozri sekciu 4.1.). Uvoľnite svorku a odpojte hadicu od príslušnej armatúry. Následne odstráňte starý termostat.
- Čistenie: Pri demontáži dávajte pozor, aby sa do systému nedostali nečistoty. Dôkladne vyčistite sedlo termostatu.
- Montáž nového termostatu: Nasaďte nový termostat spolu s novým tesnením. Pre zabezpečenie dobrého utesnenia sa na kontaktné plochy nanáša tesniaca hmota. Pri montáži je dôležité dodržať smer prúdenia chladiacej kvapaliny, inak nebude termostat správne fungovať.
- Dokončenie: Pred upevnením svoriek skontrolujte ich stav a v prípade potreby ich vymeňte. Nalejte čerstvú chladiacu kvapalinu do systému.
Pri výmene je dôležité použiť diel, ktorý presne zodpovedá vášmu modelu vozidla, ideálne podľa pôvodných čísel výrobcu.

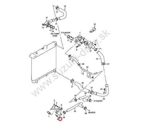
Umiestnenie termostatu na rôznych typoch motorov Peugeot
Na motoroch typu TU sa termostat nachádza v armatúre na hornej strane motora.

Inštalácia termostatu na motoroch typu XU je znázornená na obrázku 82.

Dôležité upozornenia
- Upchatý otvor termostatu môže viesť k upchatiu celého chladiaceho systému, čo má negatívny vplyv na jeho funkciu a môže viesť k poškodeniu vozidla.
- Ak si nie ste istí svojimi schopnosťami alebo nemáte dostatok času na výmenu termostatu, obráťte sa na profesionálny autoservis. Cena tejto služby sa zvyčajne pohybuje od 20 do 70 eur, plus cena náhradného dielu.