V súčasnosti existuje mnoho nadšencov, ktorí sa zaujímajú o domáce destilovanie a výrobu rôznych druhov alkoholických nápojov či aromatických esencií. Medené destilačné kotly a kolóny predstavujú kľúčové zariadenia v tomto procese, pričom ich konštrukcia a materiál majú zásadný vplyv na výslednú kvalitu produktu.
Alcoengine Gen2: Profesionálna medená refluxná kolóna
Alcoengine Gen2 je profesionálna medená destilačná kolóna typu Reflux, navrhnutá pre domácich nadšencov, ktorí chcú legálne destilovať čistý neutrálny alkohol alebo iné vonné zložky. Táto kolóna je ideálna pre:
- Výrobu vonných esencií z bylín a kvetov (hydrolátov)
- Destiláciu éterických olejov
- Čistenie vody destiláciou
- Výrobu esencií do kozmetiky
- Experimentálne aromatické extrakty (pre parfumárstvo alebo dochucovanie)
Vďaka technológii Flow Management (FM) je ovládanie refluxu a výťažnosti veľmi jednoduché. Umožňuje nastaviť výmennú trysku (0,6 alebo 1 mm) a destilácia prebieha automaticky, čo robí tento prístroj ideálnym aj pre začiatočníkov.
Prečo práve meď?
Kolóna Alcoengine Gen2 je vyrobená z masívnej medi, nie len z ocele s medeným povrchom. Meď pri kontakte s horúcou parou pomáha odstraňovať síru, čím zabezpečuje čistejšiu chuť a menej nežiaducich pachov. Toto je kľúčový benefit, ktorý ocení každý domáci destilatér.
Technické informácie Alcoengine Gen2:
- Rýchlospojky na napojenie vody
- 2 výmenné mosadzné trysky (1.0 mm a 0.6 mm)
- Výstupný ventil pre riadenie toku
- Masívna medená konštrukcia
- Kvalitné spájkovanie bez obsahu olova

Kompatibilita kolóny
Kolóna Alcoengine Gen2 je kompatibilná so širokou škálou varných systémov:
| Typ zariadenia | Kompatibilita | Poznámka |
|---|---|---|
| BrewZilla 35/65L | Áno | Vyžaduje príslušnú pokrievku (štandardnú alebo Pro s Tri-Clamp) |
| DigiBoil 35/65L | Áno | Cez 47mm otvor v pokrievke |
| Turbo Boiler | Áno | Pripojenie cez otvor alebo adaptéry |
| Nerezový kotol / hrniec | Áno | Po úprave otvoru O 47 mm |
| Nerezový KEG sud | Áno | Pomocou 2" Tri-Clamp spojky (nie je súčasťou) |
| Grainfather / iná hobby varna | Čiastočne | Podľa typu pokrievky a veľkosti vstupu |
Legálne použitie destilačných zariadení
Je dôležité zdôrazniť, že v Slovenskej republike je výroba destilátov obsahujúcich lieh povolená iba v pestovateľských páleniciach alebo licencovaných zariadeniach. Preto sa odporúča produkt Alcoengine Gen2 používať primárne na výrobu hydrolátov, esencií, destiláciu vody či bylinných výluhov. Pre iné použitie je nevyhnutné riadiť sa platnou legislatívou a informovať sa na príslušných úradoch.
Odporúčané príslušenstvo
- Distilačná pokrievka 47 mm (pre štandardné systémy)
- Tri-Clamp pokrievka (pre Pro systémy s 2"/4")
- 2" Tri-Clamp spojka
- Recirkulačné čerpadlo a nádrž na vodu
Tradičné pestovateľské pálenice a ich technológia
Mnohí sa zaoberajú myšlienkou ekonomicky zabezpečiť seba a svoju rodinu, pričom vzťah k ovociu a ovocným destilátom ich vedie k založeniu vlastnej pestovateľskej pálenice. Pri tomto procese vzniká množstvo otázok týkajúcich sa umiestnenia a typu zariadenia.
Umiestnenie a priestorové nároky
Pestovateľské pálenice môžu byť prevádzkované v rôznych typoch stavieb, ako sú rodinné domčeky, garáže, prístavby alebo výrobné haly. Dôležité sú rozmery miestnosti, kde bude destilačné zariadenie umiestnené - minimálne približne 3 x 4 metre. Kľúčová je však aj výška stropu, ktorá závisí od veľkosti samotného zariadenia a mala by byť v rozmedzí 3 - 3,5 metra.
Jednokotlové vs. dvojkotlové destilačné zariadenia
Pri výbere destilačného zariadenia sa často stretávame s otázkou, či zvoliť jednokotlové alebo dvojkotlové zariadenie. Zatiaľ čo výsledný ovocný destilát nemusí byť nutne lepší z jedného či druhého typu, pri dvojkotlovom systéme si treba uvedomiť, že náklady sú de facto dvojnásobné. Z tohto dôvodu si väčšina zákazníkov firmy DESTILA s.r.o. vyberá jednokotlové destilačné zariadenia s rektifikačnou kolónou (označenie KPD).
Nie vždy zákazník dovezie kvalitný kvas, ale vždy požaduje kvalitnú pálenku. Jednokotlová pálenica s rektifikačnou kolónou, najmä s zosilňovacou rektifikačnou časťou s individuálne ovládanými poschodiami, umožňuje tento cieľ dosiahnuť. Dvojkotlová technológia bez chladeného deflegmátora ponúka minimálne možnosti na ovplyvnenie kvality výsledného destilátu.

Význam obsluhy a servisu
Všetky rady a postupy môžu prísť na zmar, pokiaľ obsluha nie je dostatočne zapálená a vyškolená pre páleničiarsku prácu a nemá potrebnú prax. Zlá obsluha môže z najlepšieho kvasu vyrobiť nekvalitnú pálenku. Firma DESTILA s.r.o. sa pýši množstvom zrealizovaných páleníc, ktoré často pracujú nepretržite niekoľko mesiacov. Samozrejmosťou je záručný a pozáručný servis s okamžitou reakciou.
Unikátnosť každej pálenice
Základnou ideou podnikania firmy DESTILA s.r.o. je fakt, že každá pálenica predstavuje unikát. Počas pôsobenia na trhu dodali technológiu do desiatok páleníc po celom Slovensku. Pri nových prevádzkach spolupracujú so stavebnými projektantmi, pričom kľúčové je dopredu naplánovať umiestnenie technológie a inžinierskych sietí.
Firma sa zameriava aj na opravy a výmeny častí technológií v jestvujúcich prevádzkach. Poškodené alebo dosluhujúce časti vedia vyrobiť nanovo tak, aby zapasovali do výrobnej technológie ako celku. Všetky časti dodávajú podľa želania zákazníka v medenom alebo nerezovom prevedení.
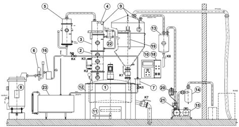
Kľúčové komponenty medených destilačných kotlov
Pri destilačných kotloch, ktoré sú srdcom každej pálenice, sa kladú najvyššie nároky na kvalitu spracovania. Ručne tepané, vysoko klenuté dná kotlov sú často opatrené stieracími pomalobežnými miešadlami. Tento typ miešania v kombinácii so špeciálne tvarovaným dnom umožňuje použiť priamy plameň z palivového dreva bez pripálenia kvasu, čo zároveň zaručuje rýchly a efektívny proces destilácie.
Rektifikačné kolóny a chladenie
Etážové rektifikačné kolóny sú považované za tradičné typy kolón. Klobúčikové etáže zaručujú výbornú deliacu schopnosť. Kolóny sú ďalej opatrené deflegmátormi, ktoré slúžia na predchladenie liehových pár. Po ich schladení časť pár kondenzuje a vracia sa do kolóny v podobe refluxu. Procesom deflegmácie a opätovnou destiláciou refluxu sa výrazne zvyšuje čistota destilátu.
Para pri opúšťaní kolóny prúdi cez medený katalyzátor a následne postupuje do rúrkových chladičov, ktoré sú väčšinou v nerezovom prevedení a sú chladené vodou.
Predohrev kvasu pre zrýchlenie procesu
Na urýchlenie procesu destilácie sa dodávajú vykurované predlohové nádrže, ktoré sú umiestnené nad kotlami a majú dvojitý plášť. Kvas v nádržiach je vykurovaný odpadovým teplom z chladičov. Predohrev kvasu môže podľa skúseností ušetriť až 25% času potrebného na destilačný proces.
How a Column Still Works | Distiller
Výrobcovia a predajcovia destilačných prístrojov
Existuje viacero firiem, ktoré sa zaoberajú výrobou, predajom a servisom destilačných prístrojov. Napríklad firma MEDIENKA vyrába dvojplášťové výklopné stroje z medeného a oceľového plechu, ktoré pozostávajú z prietokového chladiča a odkaľovača na metylalkohol. Výhodou dvojplášťa je, že surovina sa nemusí miešať a nedochádza k pripáleniu.
Ďalším výrobcom je firma DESTILA s.r.o., ktorá dodáva technológiu pre pálenice a liehovary. Ich zariadenia sú navrhnuté, skonštruované, namontované a uvedené do prevádzky odborne. Ponúkajú aj poradenstvo pri vybavovaní legislatívnych úkonov.
V rámci pestovateľských páleníc sa spomína aj destilačný prístroj od českého výrobcu Kovoděl Janča. Ich destilačný kotol je dvojplášťová medená nádoba s objemom 300 litrov, s možnosťou plnenia 150 až 300 litrov. Vykurovanie je zabezpečené zemným plynom pre regulovanú destiláciu a kotol je vybavený miešadlom.
Po každej destilácii je celá aparatúra premývaná, teda celá rektifikačná kolóna aj samotný kotol sú vyčistené tlakom vody.
tags: #medeny #destilacny #kotol